Výpočet je určen pro geometrický návrh a pevnostní kontrolu čepových a kolíkových spojů. Program řeší následující úlohy:
Návrh kolíku pro uchycení pružiny.
Návrh příčného kolíku v táhle a objímce.
Návrh radiálního kolíku pro spojení hřídele s nábojem.
Návrh spárového kolíku pro spojení hřídele s nábojem.
Návrh čepu pro točné (kloubové) spojení táhla s vidlicí.
Pevnostní kontrolu navržených spojů.
Program obsahuje tabulky rozměrů kolíků a čepů podle ANSI, ISO, DIN, BS, JIS a ČSN.
Podpora 2D CAD systémů.
Ve výpočtu jsou použita data, postupy, algoritmy a údaje z odborné
literatury a norem ANSI, ISO, DIN a dalších.
Seznam norem: ANSI B18.8.1, ANSI B18.8.2, ISO 2338, ISO 2339, ISO 2340, ISO
2341, ISO 8733, ISO 8734, ISO 8735, ISO 8739, ISO 8740, ISO 8741, ISO 8742, ISO
8743, ISO 8744, ISO 8745, ISO 8746, DIN 1, DIN 7, DIN 1443, DIN 1444, DIN 1470,
DIN 1471, DIN 1472, DIN 1473, DIN 1474, DIN 1475, DIN 1476, JIS B 1352, JIS B
1354, JIS B 1355, BS EN 22339, BS EN 22340, BS EN 22341, ČSN EN 22339, ČSN EN
22340, ČSN EN 22341
Uživatelské rozhraní.
Stáhnout.
Ceník, koupit.
Informace o syntaxi a ovládání výpočtu naleznete v dokumentu "Ovládání, struktura a syntaxe výpočtů".
Informace o účelu, použití a ovládání odstavce "Informace o projektu" naleznete v dokumentu "Informace o projektu".
Spojovací kolíky slouží k pevnému rozebíratelnému spojení dvou strojních částí, k zajištění jejich přesné polohy a zachycení příčných posouvajících sil. Obvykle se používají kolíky normalizované, vyráběné v široké škále rozměrů a provedení. Předpětí ve spojení součástí se dosáhne buď přesahem kolíku vůči díře nebo kuželovitostí zaraženého kolíku. Kuželové kolíky jsou samosvorné s kuželovitostí 1 : 50. Válcové kolíky se vyrábějí hladké nebo rýhované.

Čepy se používají k točnému rozebíratelnému spojení strojních součástí. Spoje zpravidla přenášejí pouze příčné síly působící kolmo na osu čepu. Obvykle jsou čepy uloženy s vůlí a vytváří tedy kloubové spoje (spojení táhla s vidlicí). Čepy lze také použít pro krátké osy kladek, pojezdových kol a pod. Nejčastěji se volí uložení H11/h11, H10/h8, H8/f8, H8/h8, D11/h11, D9/h8. Spojovací čepy je třeba zajišťovat proti osovému posunutí. Pojištění se provádí závlačkami, pružnými pojistnými kroužky, maticí, stavěcími kroužky. atd. Normalizované čepy se vyrábějí v provedení s hlavou, nebo bez hlavy s dírami pro závlačky.

Kolíkové spoje se dimenzují za zjednodušených předpokladů bez uvážení vlivu zalisování s přiměřeně sníženým dovoleným napětím. U spojovaných části se kontroluje otlačení stykových ploch v oblině díry. Kolíky a čepy se v závislosti na typu spoje kontrolují na smyk nebo na ohyb. U spojů hřídele s nábojem, zatížených kroutícím momentem, se obvykle provádí doplňková kontrola namáhání hřídele na krut.

Zatížení příčnou silou ohybem. Spoj se kontroluje na otlačení stykových ploch a ohyb kolíku.
Ohybové napětí kolíku:

Otlačení:

kde:
Mb ... ohybový moment [Nmm, lb in]
Wb ... modul průřezu v ohybu [mm3, in3]
Pb ... otlačení od ohybu [MPa, psi]
Pp ... otlačení od tlaku [MPa, psi]
F .... působící síla [N, lb]
s .... tloušťka desky [mm, in]
h .... rameno síly [mm, in]
d .... průměr kolíku [mm, in]
KSb, KSp ... provozní koeficient (podrobněji viz. [2.7,
2.8])

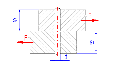
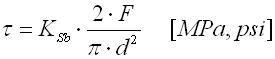
Zatížení příčnou silou smykem. Spoj se kontroluje na otlačení stykových ploch a smyk kolíku.
Smykové napětí kolíku:

Tlak ve spodní desce:

Tlak v horní desce:

kde:
F .... působící síla [N, lb]
s1 ... tloušťka spodní desky [mm, in]
s2 ... tloušťka horní desky [mm, in]
d .... průměr kolíku [mm, in]
i ..... počet kolíků ve spoji
KL ... koeficient rozložení zatížení (podrobněji viz. [2.6])
KSb, KSp ... provozní koeficient (podrobněji viz. [2.7,
2.8])

Zatížení příčnou silou smykem. Spoj se kontroluje na otlačení stykových ploch a smyk kolíku.
Doporučené rozměry spoje:
d » (0.2 .. 0.3) D
D1 » (1.5 .. 2) D
- pro ocelový náboj
D1 » (2.5) D
- pro náboj z šedé litiny
Smykové napětí kolíku:

Tlak v táhle:

Tlak v objímce:

kde:
F .... působící síla [N, lb]
D .... průměr táhla [mm, in]
D1 ... průměr objímky [mm, in]
d .... průměr kolíku [mm, in]
i ..... počet kolíků ve spoji
KL ... koeficient rozložení zatížení (podrobněji viz. [2.6])
KSb, KSp ... provozní koeficient (podrobněji viz. [2.7,
2.8])

Zatížení kroutícím momentem. Spoj se kontroluje na otlačení stykových ploch, smyk kolíku a kroucení hřídele.
Doporučené rozměry spoje:
d » (0.2 .. 0.3) D
D1 » (1.5 .. 2) D
- pro ocelový náboj
D1 » (2.5) D
- pro náboj z šedé litiny
Smykové napětí kolíku:

Tlak v hřídeli:

Tlak v náboji:

Napětí hřídele v krutu:

kde:
T .... kroutící moment [Nmm, lb in]
D .... průměr hřídele [mm, in]
D1 ... průměr náboje [mm, in]
d .... průměr kolíku [mm, in]
KSb, KSp ... provozní koeficient (podrobněji viz. [2.7,
2.8])

Zatížení kroutícím momentem.. Spoj se kontroluje na otlačení stykových ploch, smyk kolíku a kroucení hřídele.
Doporučené rozměry spoje:
d » (0.125 .. 0.2) D
Lf » (1 .. 1.5) D
D1 » (1.5 .. 2) D
- pro ocelový náboj
D1 » (2.5) D
- pro náboj z šedé litiny
Smykové napětí kolíku:

Tlak v hřídeli a náboji:

Napětí hřídele v krutu:

kde:
T .... kroutící moment [Nmm, lb in]
D .... průměr hřídele [mm, in]
D1 ... průměr náboje [mm, in]
d .... průměr kolíku [mm, in]
Lf ... funkční délka kolíku [mm, in]
i ..... počet kolíků ve spoji
KL ... koeficient rozložení zatížení (podrobněji viz. [2.6])
KSb, KSp ... provozní koeficient (podrobněji viz. [2.7,
2.8])

Zatížení příčnou silou ohybem. Spoj se kontroluje na otlačení stykových ploch, ohyb a smyk čepu.
Doporučené rozměry spoje:
a » (1.5 .. 1.7) d
b » (0.3 .. 0.5) a
l » (2 .. 2.5) d
D » (2.5) d
- pro ocel
D » (3.5) d
- pro šedou litinu
Ohybové napětí čepu:

Smykové napětí čepu:

Tlak v táhle:

Tlak ve vidlici:

kde:
Mb ... ohybový moment [Nmm, lb in]
Wb ... modul průřezu v ohybu [mm3, in3]
F .... působící síla [N, lb]
a .... šířka táhla [mm, in]
b .... šířka vidlice [mm, in]
d .... průměr čepu [mm, in]
KSb, KSp ... provozní koeficient (podrobněji viz. [2.7,
2.8])
Typický výpočet / návrh spoje se skládá z následujících kroků:
V tomto odstavci je nutné zadat základní vstupní parametry, charakterizující způsob, režim a velikost zatížení, provedení spoje a materiál spojovaných částí.
Ve výběrovém seznamu vyberte požadovanou soustavu jednotek výpočtu. Při přepnutí jednotek budou okamžitě přepočítány všechny hodnoty.
Požadovaný typ spoje zvolte zapnutím přepínače u příslušného obrázku.
Zadejte výkon, který bude hřídelí přenášen.
Zadejte otáčky hřídele.
Z přenášeného výkonu a otáček je získán krouticí moment, který je
základní vstupní hodnotou pro návrh spoje.
Zadejte maximální příčnou sílu zatěžující spoj.
Vyberte takový způsob zatížení, který nejlépe odpovídá vašemu zadání.
Z výběrového seznamu zvolte požadovaný typ kolíku.
S ohledem na přesnost a věrohodnost vstupních informací, důležitost spoje, jakost výroby, provozní podmínky a přesnost výpočtu se obvykle volí v rozmezí 1.5 až 3.
Z výběrových seznamu vyberte typ materiálu, ze kterého budou spojované části vyrobeny. V závorkách je uvedena min. pevnost v tahu [MPa/ksi] dané materiálové skupiny. Pokud je zaškrtnuté zaškrtávací tlačítko vpravo od výběrového seznamu, jsou pro zvolený materiál stanoveny potřebné pevnostní parametry automaticky. V opačném případě vyplňte materiálové charakteristiky manuálně. Hodnoty dovolených tlaku [1.16, 1.21] jsou používány pro kontrolu stykových ploch na otlačení u spojů s nepohyblivým uložením. U spojů s točným (kloubovým) uložením jsou dovolené tlaky [1.17, 1.22] podstatně nižší (až o 80%). Dovolené napětí v krutu [1.23] slouží u spojů namáhaných kroutícím momentem k pevnostní kontrole hřídele na krut.
Tento odstavec slouží k volbě vhodného kolíku resp. čepu a pro vlastní návrh rozměrů spoje.
Z výběrového seznamu vyberte provedení (normu) kolíku. Normalizované kolíky a čepy mají normou předepsány přesné rozměry průměrů a délek. Rozměry kolíků dle ANSI jsou normou definovány v [in], u ostatní typů jsou rozměry definovány v [mm].

Pro přenos větších zatížení je možné použít ve spoji více kolíků. Jejich uspořádání bude závislé na celkovém provedení spoje, případně i charakteru zatížení. U spárových kolíků na hřídeli se obvykle volí symetrické uspořádání (přesazené o 180°).

Vlivem výrobních a montážních nepřesností, nemusí být u spojů s více kolíky vždy dosaženo rovnoměrného rozložení zatížení mezi všechny kolíky. Skutečná nosná plocha spoje je pak nižší než nosná plocha stanovená teoreticky. Poměr mezi teoretickou a skutečnou nosnou plochou spoje je definován koeficientem rozložení zatížení. S ohledem na provedení spoje, přesnost uložení a počet kolíků se velikost koeficientu udává v rozmezí 0.5 až 1.
Vyjadřuje celkový vliv výrobních a provozních parametrů na snížení únosnosti spoje z hlediska přípustného otlačení stykových ploch. Jeho velikost závisí na typu kolíku a charakteru zatížení spoje. S ohledem na zmíněné parametry jsou v literatuře uváděny hodnoty koeficientu v rozmezí 1 až 3.
Vyjadřuje celkový vliv výrobních a provozních parametrů na snížení únosnosti kolíku namáhaného smykem resp. ohybem. Jeho velikost závisí na typu kolíku a charakteru zatížení spoje. S ohledem na zmíněné parametry jsou v literatuře uváděny hodnoty koeficientu v rozmezí 1 až 3.
Z výběrového seznamu vyberte typ materiálu, ze kterého bude použitý kolík vyroben. V závorkách je uvedena min. pevnost v tahu [MPa/ksi] dané materiálové skupiny. Pokud je zaškrtnuté zaškrtávací tlačítko vpravo od výběrového seznamu, jsou pro zvolený materiál stanoveny potřebné pevnostní parametry automaticky. V opačném případě vyplňte materiálové charakteristiky manuálně. Hodnota dovoleného tlaku [2.12] je používána pro kontrolu kolíku na otlačení u spojů s nepohyblivým uložením. U spojů s točným (kloubovým) uložením je dovolený tlak [2.13] podstatně nižší (až o 80%).
Tento odstavec slouží k vlastnímu návrhu rozměrů spoje. Při návrhu spoje zadejte nejdříve rozměry spojovaných částí [2.17, 2.18] a v seznamu [2.21] vyberte vhodný průměr kolíku. Pro takto definovaný spoj je v řádku [2.24] dopočtena min. požadovaná funkční délka kolíku. Návrh spoje dokončete volbou skutečné délky kolíku v řádku [2.23]. Délku volte z normou stanoveného rozsahu [2.22] tak, aby funkční délka [2.25] byla větší než minimální délka [2.24].
Pro usnadnění návrhu je program vybaven funkcí automatického vyhledání vhodného kolíku. Po stisknutí tlačítka "Vyhledat" vyhledá program vyhovující kolík minimálních rozměrů. Tlačítka "<", ">" slouží k rychlému přepínání (výběru) kolíků, v rámci normou předepsané rozměrové řady průměrů. Po výběru průměru kolíku je programem automaticky nastavena také jeho optimální délka.
Průměr kolíku vyberte z normou předepsané rozměrové řady průměrů. S volbou vhodného průměru vám mohou pomoci doporučené hodnoty [2.19], určené empiricky na základě rozměru [2.17].

Normou předepsaná minimální a maximální dovolená délka vybraného kolíku.
Délku kolíku volte z normou stanoveného rozsahu [2.22] tak, aby funkční délka [2.25] byla větší než minimální délka [2.24].
U spojů se spárovým kolíkem udává tento parametr minimální funkční délku zvoleného kolíku, potřebnou pro bezpečný přenos zadaného kroutícího momentu. U ostatních typů kolíkových a čepových spojů je minimální délka dána konstrukcí spoje a rozměry spojovaných částí [2.17, 2.18].
Funkční délka kolíku je celková délka zmenšená o sražení resp. zaoblení konců kolíku. U čepů je dána funkční délka vzdáleností mezi hlavou čepu a dírou pro závlačku.

Kolíkové spoje se dimenzují za zjednodušených předpokladů bez uvážení vlivu zalisování s přiměřeně sníženým dovoleným napětím. U spojovaných části se kontroluje otlačení stykových ploch v oblině díry. Kolíky a čepy se v závislosti na typu spoje kontrolují na smyk nebo na ohyb. U spojů hřídele s nábojem, zatížených kroutícím momentem, se obvykle provádí doplňková kontrola namáhání hřídele na krut.
Výsledná bezpečnost spoje [3.4] je dána poměrem dovoleného smykového napětí materiálu kolíku s vypočteným srovnávacím napětím. Má-li spoj vyhovovat, musí být vypočtená bezpečnost větší než bezpečnost požadovaná [1.12].
Výsledná bezpečnost spoje [3.8] je dána poměrem dovoleného ohybového napětí materiálu kolíku s vypočteným srovnávacím napětím. Má-li spoj vyhovovat, musí být vypočtená bezpečnost větší než bezpečnost požadovaná [1.12].
Kontrola otlačení je prováděna samostatně pro každou spojovanou součást. Výsledná bezpečnost [3.12, 3.16] je dána poměrem dovoleného tlaku méně kvalitního materiálu (z dvojice kolík - spojovaná část) s vypočteným srovnávacím tlakem působícím na danou část spoje. Má-li spoj vyhovovat, musí být hodnota vypočtené bezpečnosti větší než bezpečnost požadovaná [1.12].
Výsledná bezpečnost spoje [3.20] je dána poměrem dovoleného napětí v krutu materiálu hřídele s vypočteným srovnávacím napětím. Má-li spoj vyhovovat, musí být vypočtená bezpečnost větší než bezpečnost požadovaná [1.12].
Informace o možnostech 2D a 3D grafického výstupu a informace o spolupráci se 2D a 3D CAD systémy naleznete v dokumentu "Grafický výstup, CAD systémy".
Informace o nastavení parametrů výpočtu a nastavení jazyka naleznete v dokumentu "Nastavení výpočtů, změna jazyka".
Všeobecné informace o tom, jak je možné měnit a rozšiřovat sešity výpočtu, jsou uvedeny v dokumentu "Úpravy sešitu (výpočtu)".
^